Wiring up Spotlights advice
- Period Look
- Driver/Navigator
- Posts: 41
- Joined: Fri Oct 18, 2013 10:31 pm
Wiring up Spotlights advice
Ive bought 6 x 100w halogen 5" spots to mount on my roof rack. 4 on the front as driving lights and 2 on the rear as reversing lights.
Looking for some advice on how to wire these up. Size of cable, fusing, etc. Have read about relays on another site but not sure what they do exactly. Any help appreciated thanks.
Looking for some advice on how to wire these up. Size of cable, fusing, etc. Have read about relays on another site but not sure what they do exactly. Any help appreciated thanks.
Re: Wiring up Spotlights advice
Relays mean that the switch doesn't carry the current, it triggers the relay which supplies the light. Rather than running all the current inside the truck and through the switch and out to the lights you can run direct from the battery to the light with the relay in the middle. Stops voltage loss and burning out switches.
Using simple math you can calculate how many amps you need to support once you know how many lights you want on each circuit.
W=VxA so a single 100w light would draw about 7.5 amps at 13.8v
Once you map out the circuits you want you can then spec relays and fuses and wire size.
Matt.
Using simple math you can calculate how many amps you need to support once you know how many lights you want on each circuit.
W=VxA so a single 100w light would draw about 7.5 amps at 13.8v
Once you map out the circuits you want you can then spec relays and fuses and wire size.
Matt.
-
noexitroad
- Hard Yaka
- Posts: 107
- Joined: Tue Dec 07, 2010 9:35 pm
Re: Wiring up Spotlights advice
put the relay under bonnet close to spots but not where it will be wet all the time
Re: Wiring up Spotlights advice
You can reverse the wiring polarity for the switch so that you use negative to activate the relay. Save running positive feeds inside the vehicle. Reduces chances of shorts etc.
You may also want to wire some of them up so they come on with the headlights.
Matt.
You may also want to wire some of them up so they come on with the headlights.
Matt.
- Period Look
- Driver/Navigator
- Posts: 41
- Joined: Fri Oct 18, 2013 10:31 pm
Re: Wiring up Spotlights advice
Brilliant. It never ceases to amaze me this forum. You guys give your time and knowledge freely. Thank you very much.
I've bought a couple of made up wiring kits on eBay with 40 amp relays and fuses built in. Now I know the reason for the relays and that I can reverse the switch polarity I feel more confident about tackling this myself.
I am going to put a set of 4 on the front on one relay and another set of 2 on the back on the other one.
Cheers
Dave
I've bought a couple of made up wiring kits on eBay with 40 amp relays and fuses built in. Now I know the reason for the relays and that I can reverse the switch polarity I feel more confident about tackling this myself.
I am going to put a set of 4 on the front on one relay and another set of 2 on the back on the other one.
Cheers
Dave
Re: Wiring up Spotlights advice
one thing i would be checking is the output of your alternator
even with just the 4 100w lights on you will be drawing about 30 amps
combine this with your highbeams at say 60w each that takes you up to about 37 amps and then there is any other current draw in the truck
you may find if your alternator isnt in the best condition you will end up flatening/ killing your battery
even with just the 4 100w lights on you will be drawing about 30 amps
combine this with your highbeams at say 60w each that takes you up to about 37 amps and then there is any other current draw in the truck
you may find if your alternator isnt in the best condition you will end up flatening/ killing your battery
Re: Wiring up Spotlights advice
Make sure you do the calcs and size the cable and fuse and relay to handle the current draw of the four on the front.
You might want to limit each circuit to 20amp and therefore only run two lights.
Matt
You might want to limit each circuit to 20amp and therefore only run two lights.
Matt
-
noexitroad
- Hard Yaka
- Posts: 107
- Joined: Tue Dec 07, 2010 9:35 pm
Re: Wiring up Spotlights advice
i think this is what matt means about switching negative
Re: Wiring up Spotlights advice
That's the one.
- Period Look
- Driver/Navigator
- Posts: 41
- Joined: Fri Oct 18, 2013 10:31 pm
Re: Wiring up Spotlights advice
If my alternator can take it, is this correct?
I have a secondary battery that charges through a VSR unit. I have nothing running off this battery at present and is there for adding Aux electrical gear to when camping so I don't run down my Starter battery. I thought I would connect the lights to it.
If I have to upgrade my Alternator I will. It is currently (no pun intended) a 45 amp unit.
I have spent thousands on this vehicle so far, so a few hundred more won't make much difference
The only thing i'm still unsure about is the size of cable to use.
I have a secondary battery that charges through a VSR unit. I have nothing running off this battery at present and is there for adding Aux electrical gear to when camping so I don't run down my Starter battery. I thought I would connect the lights to it.
If I have to upgrade my Alternator I will. It is currently (no pun intended) a 45 amp unit.
I have spent thousands on this vehicle so far, so a few hundred more won't make much difference
The only thing i'm still unsure about is the size of cable to use.
Last edited by Period Look on Wed Mar 05, 2014 1:58 pm, edited 1 time in total.
Re: Wiring up Spotlights advice
your 4 x front spots will draw 33.3A and the 2 x rear ones will draw 16.6A so your fuse for the rears could be downgraded from the 40A one.
Amps = Watts / Volts
For wire size I would suggest you have a look here http://www.energymatters.com.au/climate-data/cable-sizing-calculator.php
Amps = Watts / Volts
For wire size I would suggest you have a look here http://www.energymatters.com.au/climate-data/cable-sizing-calculator.php
Ok people, move along. Nothing to see here. Thank you, move along.
Ph 0212078472
Ph 0212078472
- Period Look
- Driver/Navigator
- Posts: 41
- Joined: Fri Oct 18, 2013 10:31 pm
Re: Wiring up Spotlights advice
I could always change the bulbs to LED ones that would reduce the wattage a huge amount I think these run at about 6 watts
- Period Look
- Driver/Navigator
- Posts: 41
- Joined: Fri Oct 18, 2013 10:31 pm
Re: Wiring up Spotlights advice
These high powered ones are 30 watts each
Re: Wiring up Spotlights advice
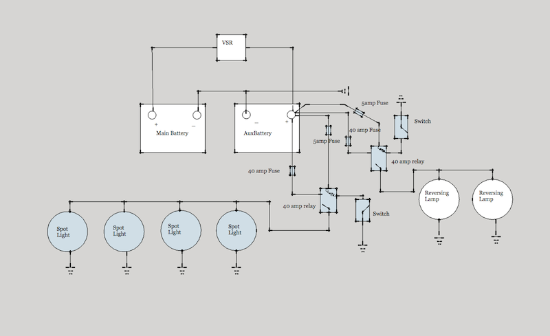
Your design shows you looping from one spotlight to the next. Is that actually how you want to wire it?
The other way to do it would be run four separate wires from the relay, one to each spottie. This would divide the current by four so you can run four smaller wires.
You would want to run 6mm2 for any circuit carrying 40A. So that's the circuit from the battery positive to the relay. Then if you ran four separate wires, one to each spottie from the relay, 1.5mm2 is good for around 15A. Each spottie only draws 7.5A so your all good there.
You also show the negative of your spotties connected to earth. Make sure there is a good connection back to your battery negative. 6mm2 if it carrying the current of all four spotlights.
Also, looking at the pic of your alternator, I hope that is the alternator field wiring not the main charge wire wrapped up in tape. If it is the main charge wire you should run a new charge wire from your alternator to your battery positive. Suggest minimum 10mm2. 16mm2 might be easier to get hold of.
Using LED bulbs would significantly reduce the load on the alternator. You would be down to 8.7A with four 30W bulbs (120W total). Then you could run 1.5mm2 everywhere and it would be fine. 2.5mm2 can be a bit more mechanically robust and less likely for wires to break.
Cheers,
Pete
The other way to do it would be run four separate wires from the relay, one to each spottie. This would divide the current by four so you can run four smaller wires.
You would want to run 6mm2 for any circuit carrying 40A. So that's the circuit from the battery positive to the relay. Then if you ran four separate wires, one to each spottie from the relay, 1.5mm2 is good for around 15A. Each spottie only draws 7.5A so your all good there.
You also show the negative of your spotties connected to earth. Make sure there is a good connection back to your battery negative. 6mm2 if it carrying the current of all four spotlights.
Also, looking at the pic of your alternator, I hope that is the alternator field wiring not the main charge wire wrapped up in tape. If it is the main charge wire you should run a new charge wire from your alternator to your battery positive. Suggest minimum 10mm2. 16mm2 might be easier to get hold of.
Using LED bulbs would significantly reduce the load on the alternator. You would be down to 8.7A with four 30W bulbs (120W total). Then you could run 1.5mm2 everywhere and it would be fine. 2.5mm2 can be a bit more mechanically robust and less likely for wires to break.
Cheers,
Pete
Re: Wiring up Spotlights advice
Agree with using lighter cable and fuses and relays for the rear two lights and I would do the front the same way with two 20 amp circuits even if you trigger both front relays off one switch.
Also as oldyella noted you don't want the four lights chained.
This way you have three identical circuits which gives you more flexibility for only marginally more cable.
If you run your headlights at the same time as your four fronts you will exceed your alternator output.
Bound to be an easy 80amp upgrade available.
Solder all your connections and cover with shrink wrap and split tubing. Use relay holders and label your relays. Where the wiring goes through the bulkhead or radiator support use grommets. Get a nice fuse block as well, some come with relay holders so you can keep everything together and tidy.
Nothing worse than trying to find a fuse someone has installed somewhere! If cash is tight go to a pick a part and rob a vehicle of a small engine bay fuse box. It will have relays and fuses in it that you can just wire up.
Matt.
Also as oldyella noted you don't want the four lights chained.
This way you have three identical circuits which gives you more flexibility for only marginally more cable.
If you run your headlights at the same time as your four fronts you will exceed your alternator output.
Bound to be an easy 80amp upgrade available.
Solder all your connections and cover with shrink wrap and split tubing. Use relay holders and label your relays. Where the wiring goes through the bulkhead or radiator support use grommets. Get a nice fuse block as well, some come with relay holders so you can keep everything together and tidy.
Nothing worse than trying to find a fuse someone has installed somewhere! If cash is tight go to a pick a part and rob a vehicle of a small engine bay fuse box. It will have relays and fuses in it that you can just wire up.
Matt.
- Period Look
- Driver/Navigator
- Posts: 41
- Joined: Fri Oct 18, 2013 10:31 pm
Re: Wiring up Spotlights advice
Thanks guys, I am going to run with lighter cables as you suggest and put 2 relays on the front lamps running 2 lamps each. I also think I will get some LED bulbs and see how they function. As for the cable coming off the alternator I think you are right Pete it is the main Charging wire. See new pic for details.
So one job turns into several - new alternator and new feed wire to batteries.
One day a set up like this would be sweet
Will make a new wiring plan
So one job turns into several - new alternator and new feed wire to batteries.
One day a set up like this would be sweet
Will make a new wiring plan
- Period Look
- Driver/Navigator
- Posts: 41
- Joined: Fri Oct 18, 2013 10:31 pm
Re: Wiring up Spotlights advice
Is 2.5mm2 automotive wire different from 2.5mm2 domestic home wire?
Re: Wiring up Spotlights advice
Yes, you want multi strand cable for automotive. Domestic wiring has 3 hard drawn strands and is not suitable for automotive wiring.
Ok people, move along. Nothing to see here. Thank you, move along.
Ph 0212078472
Ph 0212078472
- Period Look
- Driver/Navigator
- Posts: 41
- Joined: Fri Oct 18, 2013 10:31 pm
Re: Wiring up Spotlights advice
Thank you
- evolution02
- Hard Yaka
- Posts: 181
- Joined: Tue Feb 19, 2008 9:27 pm
- Location: Timaru
Re: Wiring up Spotlights advice
I looked up your alternator and the better replacement is a Bosch BXH1238. It is the same just 70amp output. Don't bother with those led bulbs if your wanting better light go with HID.
Also if your wanting to get a warrant you are only allowed 2 spotlights and they have to be wired so they can only be operated on high beam
You could also upgrade your headlights especially if they're sealed beams instead of fitting 4 spots
And if your fitting them on your roof rack then your going to need some decent wiring to cover the length
Also if your wanting to get a warrant you are only allowed 2 spotlights and they have to be wired so they can only be operated on high beam
You could also upgrade your headlights especially if they're sealed beams instead of fitting 4 spots
And if your fitting them on your roof rack then your going to need some decent wiring to cover the length
- Period Look
- Driver/Navigator
- Posts: 41
- Joined: Fri Oct 18, 2013 10:31 pm
Re: Wiring up Spotlights advice
Thanks for the Alternator info.
Are you saying I won't get a warrant with lights attached to my roof rack? Aren't they just work lights if they are wired up on a separate circuit from any other lights?
I am aware I can't drive on the road with them on.
I need about 2.5 - 3m of cable for the front and about 3.5 - 4m for the rear.
Are you saying I won't get a warrant with lights attached to my roof rack? Aren't they just work lights if they are wired up on a separate circuit from any other lights?
I am aware I can't drive on the road with them on.
I need about 2.5 - 3m of cable for the front and about 3.5 - 4m for the rear.
Re: Wiring up Spotlights advice
Domestic TPS or conduit wire is made using 7 quite large strands of copper which are not very flexible and will fracture if subjected to vibration (like in a vehicle). It does not make a good crimp termination. The insulation is PVC, it's only good for about 60deg C and breaks down if contaminated with fuel or oil..
Vehicle wiring looms use many strands of very fine copper and are therefore much more flexible and tolerant of vibration. It crimps well and has 90 or 110deg C (or higher) insulation which is resistant to fuel and oil. Current carrying capacity is slightly higher than domestic cable of the same size as it can run hotter.
Ask an electrical wholesaler for appliance wire and you'll be sweet.
Cheers
Andy
Vehicle wiring looms use many strands of very fine copper and are therefore much more flexible and tolerant of vibration. It crimps well and has 90 or 110deg C (or higher) insulation which is resistant to fuel and oil. Current carrying capacity is slightly higher than domestic cable of the same size as it can run hotter.
Ask an electrical wholesaler for appliance wire and you'll be sweet.
Cheers
Andy