RE4R01A Manual Shifter
-
fullthrottle
- Shuttle Queen
- Posts: 677
- Joined: Tue Jun 28, 2011 3:18 pm
- Location: Welly
RE4R01A Manual Shifter
So I've been doing some research and wanted to be able to shift the RE4R01A trans into any gear and hold it there.
This experiment is in a Nissan Terrano, coupled to a TD27T. (Some info copy and pasted from various sources)
Things to consider:
- Management of the TCU / ECU (if bypassing its control with a manual shifter)
- Shift solenoid combinations (avoiding a shift from 3rd to 1st etc) so a fool proof sequential shift.
- Overrun solenoid control
- modulated line-pressure solenoid
- trans cooling
- TC lockup solenoid
What I can determine is that most of the solenoids have either 0v or 12v supplied to them. The line-pressure solenoid is modulated by the TCU... quickly pulses, depending on throttle position... such that under wide open throttle, it barely pulses it at all (meaning more line pressure), so this is tricky to reproduce.
So I could control the A and B (shift solenoids), and the lockup and line pressure solenoids.
As far as solenoid overlap... there is no such thing with this electronic setup. There is solenoid A, and solenoid B... those are the only two that have anything to do with gear selection...
1st gear... is A and B, both active...
2nd gear... TCU drops A, while B remains on...
3rd gear... TCU drops B, too... neither on...
4th gear... TCU engages A
These solenoids are either on or off, no in between... so as you can see, there is no electronic overlap.
So I have a few queries to find the answer to:
- Since the line pressure solenoid is modulated by the TCU. What would happen if I made a manual shift controller that disconnected the line pressure solenoid?... so its got MAXIMUM line pressure all the time for increased shift firmness.
- Would you need to fool the TCU by installing large ballast resistors (of equal resistance to the solenoids) to all of the solenoid outputs to "fake" the TCU into thinking all is well, and everything is hooked up....
- The overrun solenoid. From what I read, its a clutch more or less responsible for engine braking. When the solenoid is active, the TC (and engine) are allowed to spin slower than the transmission. But when the solenoid is not active, the engine spins with the rest of the drive train, when you take your foot off the gas.
This experiment is in a Nissan Terrano, coupled to a TD27T. (Some info copy and pasted from various sources)
Things to consider:
- Management of the TCU / ECU (if bypassing its control with a manual shifter)
- Shift solenoid combinations (avoiding a shift from 3rd to 1st etc) so a fool proof sequential shift.
- Overrun solenoid control
- modulated line-pressure solenoid
- trans cooling
- TC lockup solenoid
What I can determine is that most of the solenoids have either 0v or 12v supplied to them. The line-pressure solenoid is modulated by the TCU... quickly pulses, depending on throttle position... such that under wide open throttle, it barely pulses it at all (meaning more line pressure), so this is tricky to reproduce.
So I could control the A and B (shift solenoids), and the lockup and line pressure solenoids.
As far as solenoid overlap... there is no such thing with this electronic setup. There is solenoid A, and solenoid B... those are the only two that have anything to do with gear selection...
1st gear... is A and B, both active...
2nd gear... TCU drops A, while B remains on...
3rd gear... TCU drops B, too... neither on...
4th gear... TCU engages A
These solenoids are either on or off, no in between... so as you can see, there is no electronic overlap.
So I have a few queries to find the answer to:
- Since the line pressure solenoid is modulated by the TCU. What would happen if I made a manual shift controller that disconnected the line pressure solenoid?... so its got MAXIMUM line pressure all the time for increased shift firmness.
- Would you need to fool the TCU by installing large ballast resistors (of equal resistance to the solenoids) to all of the solenoid outputs to "fake" the TCU into thinking all is well, and everything is hooked up....
- The overrun solenoid. From what I read, its a clutch more or less responsible for engine braking. When the solenoid is active, the TC (and engine) are allowed to spin slower than the transmission. But when the solenoid is not active, the engine spins with the rest of the drive train, when you take your foot off the gas.
-
fullthrottle
- Shuttle Queen
- Posts: 677
- Joined: Tue Jun 28, 2011 3:18 pm
- Location: Welly
Re: RE4R01A Manual Shifter
Oh yeah, one other thing. Wouldn't mind finding out which holes are enlarged in the separator plate to fix the flow problems.
Link to transmission pinouts: (will need to confirm colour coding on the Nissan T)
http://www.qsl.net/zl1vfo/car/re4r01a.htm
Link to transmission pinouts: (will need to confirm colour coding on the Nissan T)
http://www.qsl.net/zl1vfo/car/re4r01a.htm
- Crash bandicoot
- Hard Yaka
- Posts: 2924
- Joined: Thu Dec 30, 2010 7:19 pm
- Location: Towing a hilux
Re: RE4R01A Manual Shifter
When i ripped out the electronically controlled injection in my R20 mistral in favour of the earlier mechanical/cable linkage i inadvertently took out a section of the loom on a sharp piece of steel under the dash at the same time.
I figured it ran to the TCU from the engine management. (only nissan would stick the tcu between the fire wall and the AC vent system) So in order to stop any shorting /damage i unplugged the TCU aswell.
The side effect?
I lost overdrive or "lock up"
I lost kickdown (when you stand on the load pedal)
I lost the over run so if i took my foot off the gas it was like your were coasting in neutral
I gained a very sharp shifting 3 speed transmission as there was no control over line pressure (no signal meant full line pressure)
I wired a feed to the OD so i could get top gear again
when in drive it now shifts into 3rd at around 50 kph so i just hold it in second till i want 3rd and keep it out of O/D till i want top gear other wise it shifts up as soon as it can... So it is obviously still getting signals from somewhere (TPS and speedo maybe
).
I am in the process of doing exactly what you are doing but also bypassing the inhibitor switch and wiring up the lockup solenoid and over run clutch to a switch on the accelerator pedal so when i take my foot off the gas it regains the "engine braking" effect.
It will basically be a power glide transmission without the...errr... glide, but i found if i ease off the gas as i change gear it's smooth enough.
I figured it ran to the TCU from the engine management. (only nissan would stick the tcu between the fire wall and the AC vent system) So in order to stop any shorting /damage i unplugged the TCU aswell.
The side effect?
I lost overdrive or "lock up"
I lost kickdown (when you stand on the load pedal)
I lost the over run so if i took my foot off the gas it was like your were coasting in neutral
I gained a very sharp shifting 3 speed transmission as there was no control over line pressure (no signal meant full line pressure)
I wired a feed to the OD so i could get top gear again
when in drive it now shifts into 3rd at around 50 kph so i just hold it in second till i want 3rd and keep it out of O/D till i want top gear other wise it shifts up as soon as it can... So it is obviously still getting signals from somewhere (TPS and speedo maybe
). I am in the process of doing exactly what you are doing but also bypassing the inhibitor switch and wiring up the lockup solenoid and over run clutch to a switch on the accelerator pedal so when i take my foot off the gas it regains the "engine braking" effect.
It will basically be a power glide transmission without the...errr... glide, but i found if i ease off the gas as i change gear it's smooth enough.
Waiter...there is a drought in my glass.
-
fullthrottle
- Shuttle Queen
- Posts: 677
- Joined: Tue Jun 28, 2011 3:18 pm
- Location: Welly
Re: RE4R01A Manual Shifter
Hey Crash
Do you have any issues with PARK or NEUTRAL? Would need to make sure the trans at least moves to NEUTRAL in order to shift the transfer from 2WD to 4WD.
Is that what you are doing with the inhibitor switch?
Do you have any issues with PARK or NEUTRAL? Would need to make sure the trans at least moves to NEUTRAL in order to shift the transfer from 2WD to 4WD.
Is that what you are doing with the inhibitor switch?
Re: RE4R01A Manual Shifter
http://www.radesignsproducts.com/site/0cbe6b4845e04ad2ac00dc4b10d9c541/default?url=http%3A%2F%2Fradesignsproducts.com%2FRail.html#2742
Had one in my Cruiser behind the lexus V8, rate them and cheap enough too.
Had one in my Cruiser behind the lexus V8, rate them and cheap enough too.
Softroader VW Amarok nowadays.... 
- Crash bandicoot
- Hard Yaka
- Posts: 2924
- Joined: Thu Dec 30, 2010 7:19 pm
- Location: Towing a hilux
Re: RE4R01A Manual Shifter
fullthrottle wrote:Hey Crash
Do you have any issues with PARK or NEUTRAL? Would need to make sure the trans at least moves to NEUTRAL in order to shift the transfer from 2WD to 4WD.
Is that what you are doing with the inhibitor switch?
Park reverse neutral 1st second and drive are mechanical linkage to a switch on the side of the box, this part obviously still has power to control the A/B solenoids. The TCU is there just to control the smooth changing of gears and shifting patterns to suit the engine it is mated too.
the inhibitor switch bypass is so I can start it ingear on stepp hills etc....have seen it done to a manualised landcrusier here in levin.
Waiter...there is a drought in my glass.
-
fullthrottle
- Shuttle Queen
- Posts: 677
- Joined: Tue Jun 28, 2011 3:18 pm
- Location: Welly
Re: RE4R01A Manual Shifter
juz wrote:http://www.radesignsproducts.com/site/0cbe6b4845e04ad2ac00dc4b10d9c541/default?url=http%3A%2F%2Fradesignsproducts.com%2FRail.html#2742
Had one in my Cruiser behind the lexus V8, rate them and cheap enough too.
Cheers Juz, yeah I saw these. I had some queries with the maker on these, but undecided if it gives the control I want.
Crash bandicoot wrote:
the inhibitor switch bypass is so I can start it ingear on stepp hills etc...
Just be carefull you don't inadvertently have the TC locked and start it in a lower gear, or boom, when you give it some juice straight off the mark.
I'm trying to incorporate some safety mechanism so certain combinations are not possible. (Like 1st and 2nd with TC locked)
For the A-B shift solenoid control, I do like that gated shifter the 'radesign' shows in some of the pics.
Re: RE4R01A Manual Shifter
Its kinda hard to explain how they work, with mine i had to pull the factory shifter dwn a gear also to get engine braking, but once you know how there great. Have a mate using one in hus soarer stockcar too. I just had a seperate switch fir lockup, worked well only used it in top gear but also gave great engine braking down steep declines in say 1st-2nd lowbox with lockup in. Was better than any diesel ive had.
Softroader VW Amarok nowadays.... 
-
ChurchurDan
- Hard Yaka
- Posts: 574
- Joined: Sun May 12, 2013 7:49 pm
- Location: North Canterbury
Re: RE4R01A Manual Shifter
Crash, I would have thought with no controller it would be stuck in third as this is the only forward gear that doesn't need any solenoid engagement, what is the trans code for your auto?
I believe the overrun clutch prevents the output shaft and planetary gears from spinning faster than the input shaft when you lift off the loud pedal.
Without this you have no engine braking and possible trans failure due to the planetary gears over speeding and blowing to bits. Drag cars with torque flite autos are good for this when a drive shaft or diff let go under power, it blows the trans to pieces.
My only concern with running full line pressure all the time is possible short trans life, firm shifts are not a concern.
I believe the overrun clutch prevents the output shaft and planetary gears from spinning faster than the input shaft when you lift off the loud pedal.
Without this you have no engine braking and possible trans failure due to the planetary gears over speeding and blowing to bits. Drag cars with torque flite autos are good for this when a drive shaft or diff let go under power, it blows the trans to pieces.
My only concern with running full line pressure all the time is possible short trans life, firm shifts are not a concern.
- Crash bandicoot
- Hard Yaka
- Posts: 2924
- Joined: Thu Dec 30, 2010 7:19 pm
- Location: Towing a hilux
Re: RE4R01A Manual Shifter
in my experience it is the slow smooth shifting that kills these transmissions as it allows the bands to slip for too long between changes.
If you have seen the video of my truck plowing into a tree on you tube you will under stand why i need to either get the over run clutch or TC lock up in 1st/2nd working again.
The selector switch on the side of the box has not much to do with the TCU really, the Selector switch is what controls the A/B reverse neutral park solenoids. as stated the TCU is there to calculate the best time for the transmission to shift gear based on inputs from drivers foot/ engine load/ temperature etc
If you have seen the video of my truck plowing into a tree on you tube you will under stand why i need to either get the over run clutch or TC lock up in 1st/2nd working again.
The selector switch on the side of the box has not much to do with the TCU really, the Selector switch is what controls the A/B reverse neutral park solenoids. as stated the TCU is there to calculate the best time for the transmission to shift gear based on inputs from drivers foot/ engine load/ temperature etc
Waiter...there is a drought in my glass.
- Crash bandicoot
- Hard Yaka
- Posts: 2924
- Joined: Thu Dec 30, 2010 7:19 pm
- Location: Towing a hilux
Re: RE4R01A Manual Shifter
the other idea i have to investigate and i havent put here is lock up of the torque converter in any gear then dumping the line pressure by way of a momentary switch to change gears as apposed to unlocking the t/c changing gears/ then relocking it.
Waiter...there is a drought in my glass.
-
fullthrottle
- Shuttle Queen
- Posts: 677
- Joined: Tue Jun 28, 2011 3:18 pm
- Location: Welly
Re: RE4R01A Manual Shifter
Crash bandicoot wrote:the other idea i have to investigate and i havent put here is lock up of the torque converter in any gear then dumping the line pressure by way of a momentary switch to change gears as apposed to unlocking the t/c changing gears/ then relocking it.
I wouldn't recommend this, the standard TC is not designed to handle acceleration in the lower ratios. Not sure about using it for engine braking, hence the overrun clutch already exists.
-
fullthrottle
- Shuttle Queen
- Posts: 677
- Joined: Tue Jun 28, 2011 3:18 pm
- Location: Welly
Re: RE4R01A Manual Shifter
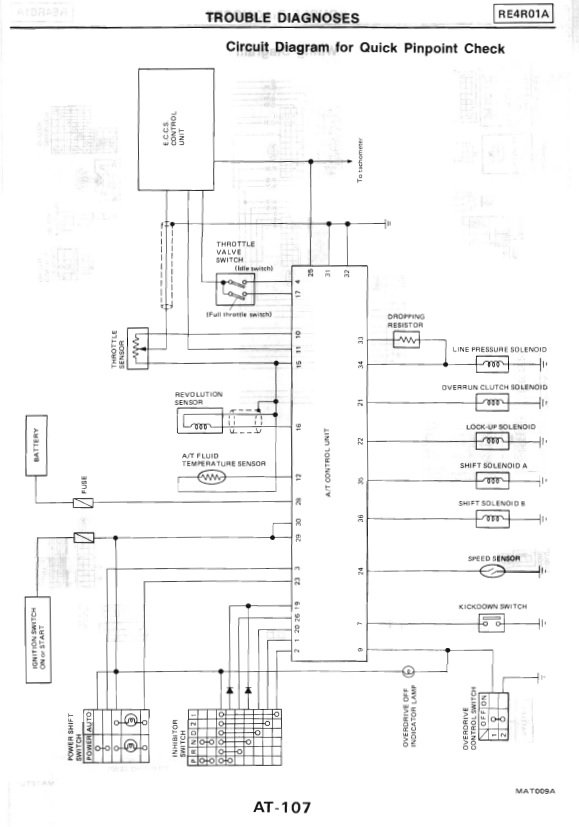
Just for reference, I'll add the TCU pinouts. Am thinking of utilizing the existing wiring.
Would be nice to have the option of full manual or normal. Possibly by relay shutting off the circuit for pins 28-(Power to TCU), and the circuits for pins 21, 22, 35, 36 and 7 and manually controlling these, pins 21, 22, 35, 36 and 7.
Would be nice to have the option of full manual or normal. Possibly by relay shutting off the circuit for pins 28-(Power to TCU), and the circuits for pins 21, 22, 35, 36 and 7 and manually controlling these, pins 21, 22, 35, 36 and 7.
Re: RE4R01A Manual Shifter
I have done this in my winch truck and have a couple mates who have done it on road trucks.
3 relays and 3 diodes are required. The shifter can then be used to control L 2 D and the OD switch OD. The shifter has power outs for each shift location to tell the TCU what you want to do, it decides if you can do that or not.
You can wire in a lock up switch if you want but be warned using it at anything other than cruise is a quick way to burn a torque converter.
Bin the TCU completely, and yep you get full line pressure which firms up the shift but it's not that bad.
I can send you a wiring diagram but my laptop died so I'll have to dig out the drawn one that's in my garage book and scan it ( will be tomorrow as heading out to meeting soon)
The inhibitor is in the same gearbox switch as the rest but is separate and doesn't go to TCU at all, it's independent and is literally part of the starter wiring.
Brief but PM me if you want more detail
3 relays and 3 diodes are required. The shifter can then be used to control L 2 D and the OD switch OD. The shifter has power outs for each shift location to tell the TCU what you want to do, it decides if you can do that or not.
You can wire in a lock up switch if you want but be warned using it at anything other than cruise is a quick way to burn a torque converter.
Bin the TCU completely, and yep you get full line pressure which firms up the shift but it's not that bad.
I can send you a wiring diagram but my laptop died so I'll have to dig out the drawn one that's in my garage book and scan it ( will be tomorrow as heading out to meeting soon)
The inhibitor is in the same gearbox switch as the rest but is separate and doesn't go to TCU at all, it's independent and is literally part of the starter wiring.
Brief but PM me if you want more detail
Toy - Zuk chassis tub, hilux 4.88 axles and transfer, Nissan CA18DE motor and auto trans, sc12 supercharger, 32 10'5 simex, twin motor 8274 custom freespool. Well the parts are all there in various corners of the shed
-
ChurchurDan
- Hard Yaka
- Posts: 574
- Joined: Sun May 12, 2013 7:49 pm
- Location: North Canterbury
Re: RE4R01A Manual Shifter
In factory operation the only time the T/c lock up is engaged is when you are cruising in O/d, as soon as you give it some throttle the converter unlocks. The clutch in the T/c is very small and will not handle much load. Some people mod them to manual lock up for aided engine braking on steep down hill.
When I do my manual to auto conversion my set up will be, Solenoids A and B controlled with relays switched off of the gear selector switch. Line pressure solenoid will not be connected. Overrun clutch solenoid on a closed throttle switch and over drive and lockup switches on the dash. I might get creative with the lock up and incorporate some sort of speed or brake over ride so if I brake or slow down it switches off so that I dont stall the engine or damage the converter.
If you want to run separate auto and manual control you could use change over relays on the solenoid wires to over ride the TCM outputs. Switching the power off to the TCM will prevent it doing anything or logging faults.
When I do my manual to auto conversion my set up will be, Solenoids A and B controlled with relays switched off of the gear selector switch. Line pressure solenoid will not be connected. Overrun clutch solenoid on a closed throttle switch and over drive and lockup switches on the dash. I might get creative with the lock up and incorporate some sort of speed or brake over ride so if I brake or slow down it switches off so that I dont stall the engine or damage the converter.
If you want to run separate auto and manual control you could use change over relays on the solenoid wires to over ride the TCM outputs. Switching the power off to the TCM will prevent it doing anything or logging faults.
-
fullthrottle
- Shuttle Queen
- Posts: 677
- Joined: Tue Jun 28, 2011 3:18 pm
- Location: Welly
Re: RE4R01A Manual Shifter
OK, so just an update.
I've decided to modify the setup slightly and now have a arduino micro-computer that has been programmed to control the trans in place of the TCU. In addition I'm going with a modified up/down ratchet shifter which will only allow a single gear change per smack of the shifter.
I've decided to modify the setup slightly and now have a arduino micro-computer that has been programmed to control the trans in place of the TCU. In addition I'm going with a modified up/down ratchet shifter which will only allow a single gear change per smack of the shifter.
- Rotazuk
- Hard Yaka
- Posts: 937
- Joined: Mon Jun 16, 2003 12:00 pm
- Location: Auckland - New Zealand
- Contact:
Re: RE4R01A Manual Shifter
run an adurno chip in my bush truck .The auto I have will manual shift so the chip is not needed but I use it as a sequential shift setup with a joy stick . you just program in a delay so it can not shift gears too quickly .
chris
chris
-
EvangelicAtheist
- Newbie

- Posts: 1
- Joined: Thu Aug 18, 2016 7:15 am
Re: RE4R01A Manual Shifter
Any of you chaps still around? 
I have been researching getting control of my RE4R01A auto-box for quite some time and keep coming back to this thread... which is tantalising but leaves me asking more questions.
Cards on the table - my car is not a 4WD (though I do own a Subaru Forester as my daily...) - its a '94 Nissan Skyline RWD automatic (with valve body upgrade and shift kit, i.e. running high pressure). It is running close to 500bhp and I am looking for a way to control the autobox for track use, including / mainly drag. The box in standard form changes up way too early in first and second which means I am losing a lot of my power curve, and on the track it really needs to have manual control to get round the circuit more than one lap before the brakes fade out. Ideally I'd love to have 3 modes:
1. standard
2. fully manual
3. enhanced standard (control over the shift points)
My problem is I am not an electronics expert, I am however an ex-programmer and reasonably adept at logic.
To get to 3 I can envisage a programmable micro controller, probably with some analogue inputs to measure engine load, rpm, speed & throttle position, and some digital inputs for OD, which can then control the solenoid sequences and automatically bring in OD, lock-up and overrun.
But I would settle for 2, with the ability to switch between manual and full automatic, which I get would require some relays.
However I am then stuck... for example, what voltage do the solenoids require? Someone mentioned Arduino, which is closer to what I would be comfortable with (resistors are not my thing at all) from a "programming" perspective, but when it interfaces with the real world I am left nervous that I haven't got a clue and would prefer to avoid experimenting.
Anyway, I hope you don't mind me asking on the off chance that while this is an old thread, there may be someone out there who's done this and can share a bit more novice type information.
Cheers, Tim
I have been researching getting control of my RE4R01A auto-box for quite some time and keep coming back to this thread... which is tantalising but leaves me asking more questions.
Cards on the table - my car is not a 4WD (though I do own a Subaru Forester as my daily...) - its a '94 Nissan Skyline RWD automatic (with valve body upgrade and shift kit, i.e. running high pressure). It is running close to 500bhp and I am looking for a way to control the autobox for track use, including / mainly drag. The box in standard form changes up way too early in first and second which means I am losing a lot of my power curve, and on the track it really needs to have manual control to get round the circuit more than one lap before the brakes fade out. Ideally I'd love to have 3 modes:
1. standard
2. fully manual
3. enhanced standard (control over the shift points)
My problem is I am not an electronics expert, I am however an ex-programmer and reasonably adept at logic.
To get to 3 I can envisage a programmable micro controller, probably with some analogue inputs to measure engine load, rpm, speed & throttle position, and some digital inputs for OD, which can then control the solenoid sequences and automatically bring in OD, lock-up and overrun.
But I would settle for 2, with the ability to switch between manual and full automatic, which I get would require some relays.
However I am then stuck... for example, what voltage do the solenoids require? Someone mentioned Arduino, which is closer to what I would be comfortable with (resistors are not my thing at all) from a "programming" perspective, but when it interfaces with the real world I am left nervous that I haven't got a clue and would prefer to avoid experimenting.
Anyway, I hope you don't mind me asking on the off chance that while this is an old thread, there may be someone out there who's done this and can share a bit more novice type information.
Cheers, Tim
- Crash bandicoot
- Hard Yaka
- Posts: 2924
- Joined: Thu Dec 30, 2010 7:19 pm
- Location: Towing a hilux
Re: RE4R01A Manual Shifter
For drag racing you need to start with the torqu e converter. It will need stall of around 2500 to launch properly.
2nd will always be manually shifted so you basically want a momentary hold switch on the side of the lever to select first.
And a second latching switch that engages overdrive and lock up together
Scenario....
Basically select second hold the button in.. Launch the car hit 8500 let the button go trans will go to second by defualt hit 8500 ram the lever forward to drive (3rd) then once at top rpm hit a hold switch which collects overdrive and lockup at the same time.
You don't want the lockup working in the bottom three gears as not only will it not handle the torque but will increase the gearshift time as it would need time to unlock shift then lockup again.
Full line pressure by default and the key is one hell of a big trans cooler as the clutch packs won't last long being treated like that.
I used to drag and track race cars and its all about the first 50 meters and the crucial 1st gearchange.
2nd will always be manually shifted so you basically want a momentary hold switch on the side of the lever to select first.
And a second latching switch that engages overdrive and lock up together
Scenario....
Basically select second hold the button in.. Launch the car hit 8500 let the button go trans will go to second by defualt hit 8500 ram the lever forward to drive (3rd) then once at top rpm hit a hold switch which collects overdrive and lockup at the same time.
You don't want the lockup working in the bottom three gears as not only will it not handle the torque but will increase the gearshift time as it would need time to unlock shift then lockup again.
Full line pressure by default and the key is one hell of a big trans cooler as the clutch packs won't last long being treated like that.
I used to drag and track race cars and its all about the first 50 meters and the crucial 1st gearchange.
Waiter...there is a drought in my glass.
Re: RE4R01A Manual Shifter
Hi, where is the tcu for the Nissan mistral located
Re: RE4R01A Manual Shifter
Quote from this thread "only nissan would stick the tcu between the fire wall and the AC vent system"