Late 300Tdi Bosch EDC pump

For all topics specifically for the Rover family.
Post Reply
User avatar
lax2wlg
Hard Yaka
Posts: 1437
Joined: Sat May 12, 2012 8:33 pm
Location: Various areas

Late 300Tdi Bosch EDC pump

Post by lax2wlg »

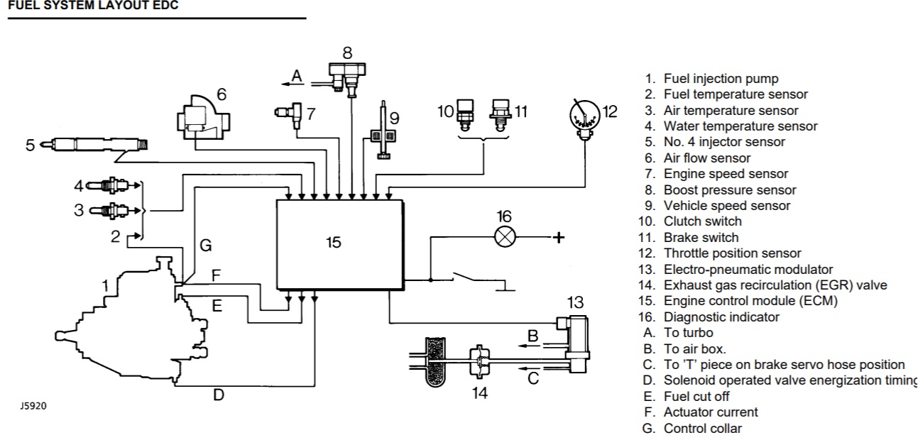
Hi guys, just wondering if anyone here has experience with the Bosch EDC pump fitted to the later 300TDi Autos. Trying to figure out which sensors are needed for it to run, even in safe mode. Have an engine on the bench with ECU and loom, No.4 injector sensor, MAF, air control valve but no bloody TPS. Getting fuel to injectors ok, pump base timing ok, preheat ok, vehicle had no immobiliser from factory (I hear immobilisers can cause no-start issues so have ruled that out).

Thought I would ask here before grafting in a Kiki manual pump...or trying to find a Bosch Tdi manual pump that isn't a stupid price. Tdi manual pumps seem rare here, maybe a MBenz OM series pump would also be worth considering... Thanks for any advice

1. Will faulty/missing sensors cause a no-start condition with the Bosch EDC system?
2. Does anyone know of any compatible manual pumps from Euro donor cars?
Attachments
edc1.jpg
TOYOTA - The Official Vehicle of ISIS!
And makers of the '92 Camry, where you got your first backseat handjob.
User avatar
lax2wlg
Hard Yaka
Posts: 1437
Joined: Sat May 12, 2012 8:33 pm
Location: Various areas

Re: Late 300Tdi Bosch EDC pump

Post by lax2wlg »

In case anyone's interested, a wise man informed me that the engine speed sensor needs to be connected for it to run. It will start and idle.
TOYOTA - The Official Vehicle of ISIS!
And makers of the '92 Camry, where you got your first backseat handjob.
Post Reply

Return to “Range Rover / Land Rover”