Page 1 of 1
LJ71 / 78 Auto solenoid wire pin out
Posted: Mon Feb 08, 2016 2:28 pm
by Big
Not sure if anyone has these but I need the 3 wire pin out for the LJ71/78 trans ? I have the selector sw but cant find the solenoid wiring to say which has 12v , S1 and S2 .. can anyone help ? Ta or colours ? there is only 3 wires that go to the top of the connector on the trans.. so guessing +12v , S1 , S2 help..lol
Re: LJ71 / 78 Auto solenoid wire pin out
Posted: Mon Feb 08, 2016 4:02 pm
by ChurchurDan
assuming it is an A343e there are 3 solenoids in there, They are earthed internally and get 12v from the ecu to switch them on, the third solenoid is lockup.
Re: LJ71 / 78 Auto solenoid wire pin out
Posted: Mon Feb 08, 2016 4:35 pm
by kbushnz
The auto is ECU controlled so it doesn't take an input directly from shifter...
Unless you are manualizing it...
here is some info on the auto for you.
http://www.autoshop101.com/forms/h16.pdf
Or if you are trying to manualise it here is my attempt at it.
http://www.mediafire.com/view/i4p7hbbpi ... sation.pdf
Re: LJ71 / 78 Auto solenoid wire pin out
Posted: Mon Feb 08, 2016 4:50 pm
by kbushnz
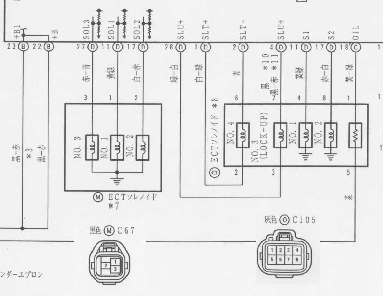
Here is a pic of the plug.... You can work out from it which one is what
Re: LJ71 / 78 Auto solenoid wire pin out
Posted: Mon Feb 08, 2016 5:59 pm
by Big
kbushnz wrote:Here is a pic of the plug.... You can work out from it which one is what
jzz30_a340e_sol_wiring.png
That's the one.. cheers.. interesting though.. the valve body doesn't take a 12v feed like the lexus one does.. so S1 S2 and od S3.. sweet as.. thanks a mill
Re: LJ71 / 78 Auto solenoid wire pin out
Posted: Mon Feb 08, 2016 6:29 pm
by kbushnz
I think the Lexus ones run 4 solinoids one is for pressure regulator. The 3 solinoid units have a cable which does the line pressure. So maybe the 4th one needs a 12 v supply?
There is a 12v supply to the position switch.
Re: LJ71 / 78 Auto solenoid wire pin out
Posted: Mon Feb 08, 2016 6:43 pm
by Big
kbushnz wrote:I think the Lexus ones run 4 solinoids one is for pressure regulator. The 3 solinoid units have a cable which does the line pressure. So maybe the 4th one needs a 12 v supply?
There is a 12v supply to the position switch.
I got 3 sol + 2 x 12v feeds for the valve body plug + selector sw which has it's own 12v feed i'll take a picture
this is the plugs I used for the lexus trans

this is plug pinouts

and

si you can see there some differences..
ALso S4 was a none event.. had no valve.. as it had the cable pressure one and the pen diag was the pinout for the selector sw..looking down on the plug..

Re: LJ71 / 78 Auto solenoid wire pin out
Posted: Mon Feb 08, 2016 7:39 pm
by kbushnz
Have done a search of the net, some auto's also had a speed sensor in them and you ended up with a 6 pin plug as opposed to the 3 pin...
The Lj and KZJ have the speed sensor in the adaptor between the auto and the transfer case... so there is a separate plug.